
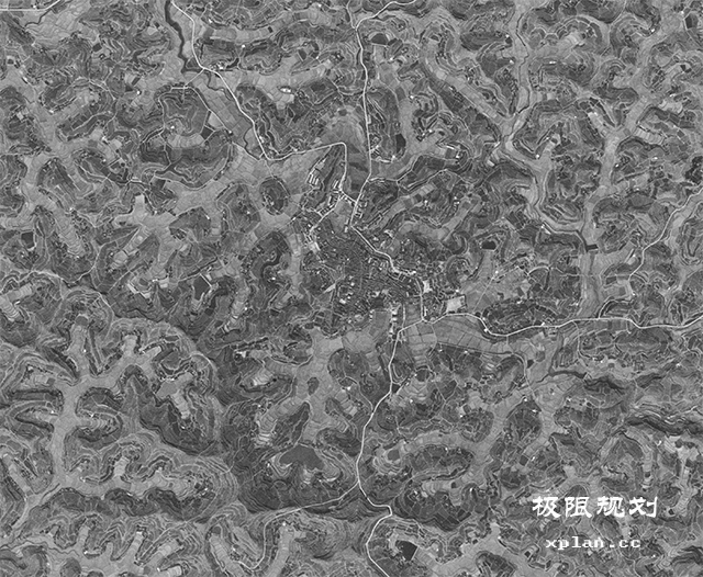
江苏东海县-19740425
文件格式:jpg 文件大小:8.61MB
锁眼老图是美国第一代锁眼卫星在1970年前后拍摄的地面黑白照片,从中可以看到城市乡村过去的轮廓。
由于当时技术条件有限,照片清晰度不能和现在的卫星图相比,相当于谷歌16级。介意的用户请谨慎购买。
这里提供全国县以上城市的锁眼老图,范围一般在50平方公里左右。点击购买后,即可下载大图。如需要村镇的老图,也可以留言。
最高清晰度,请参考下图:

购买与使用
1.可直接匿名购买,1极限分=1元人民币。或充值后用余额购买,充值成为本站VIP后,购买享八折优惠。
2.购买后,会有下载链接,点击下载链接,下载并保存相应的路线轨迹或图片文件。路线轨迹不定期更新,一年内可无限次下载。购买企业服务器,请和客服联系,微信:nxx667
3.路线轨迹为kmz格式的文件,手机、IPAD、电脑以及专业GPS导航仪均能使用。推荐使用“奥维互动地图浏览器”APP。
4.安卓手机下载后,点下载的路线文件,选择其它应用打开,选奥维互动地图-导入,回到地图主界面就可以看到路线了。
5.苹果手机下载好的文件后,再打开百度网盘APP,上传文件-选择下载好的文件,将上传的文件名xxxxxxxx.kmz.html,改为xxxxxxxx.kmz。再点下载文件,选奥维互动地图-导入,回到地图主界面就可以看到路线了。
注意事项
1.我国目前道路建设发展很快,原有的道路也经常出现维修扩展等状况,如果您在自驾途中发现我们提供的规划路线因为上述原因不能实际通行的话,还请多多理解。
2.由于政策或气候等原因,相关景区可能关闭,请和当地旅游部门联系确认。我们只能保证路线的准确。
3.本路线方案中的每天到达地,其标注的地点只是该地的入口处或中心区,并不一定是您当晚入住的具体地点。
4.关于住宿与饮食。这两点也是自驾旅行中的重要方面,但与个人的喜好与条件、当时的具体情况等都密切相关,可以在各种APP中帮助查找。

请先 !